51龙凤茶楼论坛网石家庄,栖凤楼茶楼论坛永久地址栖凤阁论坛(全国信息)武汉 ,栖凤楼茶楼论坛详情海口龙凤茶楼论坛网 ,(一品楼ypl论坛)

  • 牡丹江市人民政府外事办公室2022年政府信息公开工作年度报告

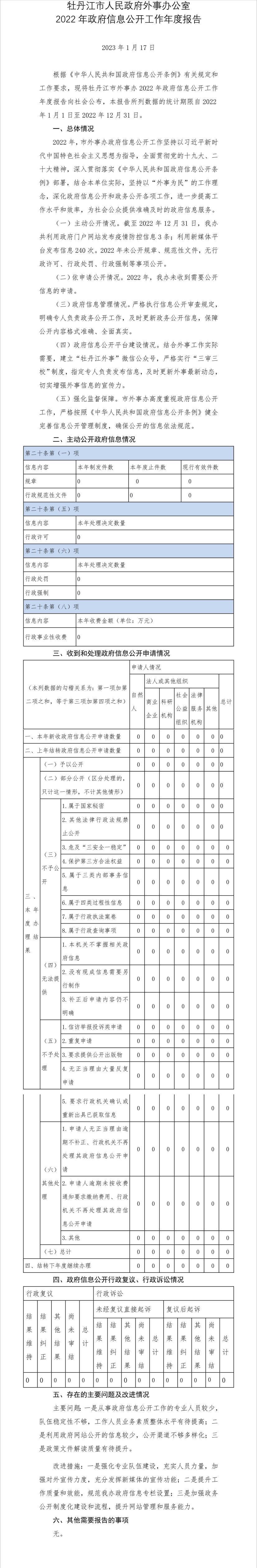
牡丹江市人民政府外事办公室2022年政府信息公开工作年度报告

日期:2023-01-17 来源:牡丹江市人民政府
字号:

来源:牡丹江市人民政府

撰稿:

校对:

一审:

二审:

三审:

关联稿件:

扫一扫在手机打开当前页
返回顶部 打印本页 关闭本页
智能问答机器人